24kW 450A Embedded DC Power System 19-Inch Telecom Rectifier Sub-Rack
The HHY48400-H8A5KM is a state-of-the-art, 19-inch rack-mounted embedded DC power supply system specifically engineered for modern telecommunications and base station applications. Delivering a robust 24kW maximum capacity and up to 450A of rated output current, it ensures a highly stable 53.5VDC power source for critical network infrastructure under diverse grid conditions.
This modular sub-rack accommodates up to six HHY4875G1 4000W hot-swappable rectifiers, achieving an exceptional peak efficiency of 96.2% to significantly reduce operational energy costs. It features a highly reliable power distribution framework, including dual AC inputs (compatible with 380V 3-phase and 220V single-phase), separate LLVD and BLVD load management, and integrated Level C Surge Protection Devices (SPD) on both AC and DC lines for ultimate equipment safety.
The HHY48400-H8A5KM is a highly integrated, 19-inch rack-mountable embedded power supply solution engineered for high-density telecommunication networks. Delivering a maximum output of 24kW (450A), this system ensures uninterrupted 48VDC power for critical infrastructure, supporting both grid and generator inputs with advanced surge protection.
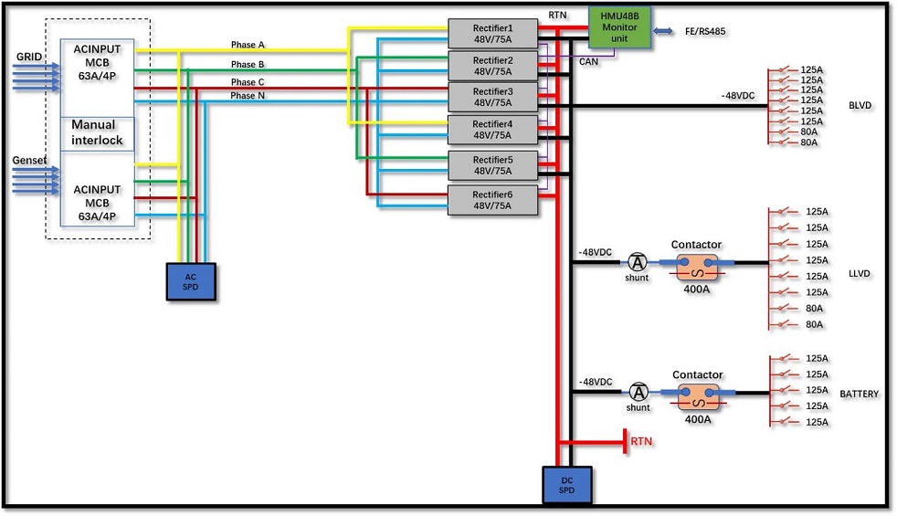
The sub-rack is intelligently divided to separate AC input, DC distribution, rectifier slots, and the intelligent monitoring core. The system includes an electrical schematic demonstrating the fail-safe distribution from the grid/genset, through the rectifiers, down to the multi-level load disconnects (LLVD/BLVD).

Internal Electrical Schematic & Routing| Product Type | HHY48400-H8A5KM | ||
|---|---|---|---|
|
HHY48400-H8A5KM |
System | Dimension (width, depth and height) | 483mm(W) × 365mm(D) × 355mm(H) |
| Installation mode | Installed on 19-inch rack or cabinet | ||
| Maintenance Mode | Front | ||
| Weight | 35kg (Rectifier module is not included) | ||
| input | Input Mode | Three-phase four-wire system 380V(compatible 220 V AC single phase ) |
|
| Input Frequency | 45-66 Hz, rated value:50/60Hz | ||
| Input Capacity | 2*63A/4P(MCB) | ||
| SPD | Level C | ||
| Maximum input current of rectifier module | Maximum 23A for single module | ||
| Output | Output Voltage | 43.2-58 VDC , rated value: 53.5 VDC | |
| Maximum Capacity | 24KW(176VAC~300VAC) 12~24KW(85VAC~175VAC Linear derating) |
||
| Peak efficiency | 96.2% | ||
| Voltage stabilization accuracy | ≤±0.6% | ||
| Output rated current | 450A(MAX) | ||
| Output interface | Battery Breakers: 5 * 125A LLVD:6*125A/1P; 2*80A/1P; BLVD:6*125A/1P;2*80A/1P |
||
| DC SPD | Level C |
HMU48B Monitoring module (hereinafter referred to as "HMU48B") is a small monitoring unit, mainly for different Types Check the operating status of the power system and control the operation of the power system.
Provide rich interfaces such as sensor interface, CAN connection The port, RS 485 interface, input / output dry contact interface, etc., can be used to manage the site environment and alarm reporting. It can be provided at the same time Remote communication with the third party network management supporting the general protocol to manage the power system remotely.

| Item | Specifications | Item | Specifications |
|---|---|---|---|
| Detection features | AC and DC information detection | Management features | Battery charging and floating charge management |
| Rectifier module and solar module information detection | Battery temperature compensation | ||
| Battery information detection | Battery high and low temperature alarm | ||
| Environmental temperature and humidity, battery temperature, door magnetic, smoke, water flooding and other environmental information detection | Battery charging and current-limiting management | ||
| 6-way dry contact input signal detection | Battery low-voltage under-power protection | ||
| Battery, load fuse detection | Battery test management | ||
| Warning management | The alarm can be associated to the output dry contact, support 8 output dry contact, can be set to open normally | Battery residual capacity detection | |
| The alarm level can be set (emergency / off) | Level 5 is an independent power-down management | ||
| Remind the user through the indicator light, alarm sound (optional enable / prohibit) | Two user down modes (time / voltage) | ||
| 1,000 historical alarm records | 4 user power metering (charge power metering) | ||
| intelligent interface | 1 north FE interface, total protocol | Save the user's power information regularly | |
| 1 south-facing RS485 interface to manage the connected equipment | |||
HHY4875G1 is a high efficiency, high power density of the digital rectifier module, to achieve a wide range of voltage input, 53.5V The DC has the default output.
It has the advantages of soft start function, perfect protection function, low noise, and parallel use. pass through Power supply monitoring realizes the real-time monitoring of rectification module status and load and output voltage regulation function.

| Item | Specifications | Item | Specifications |
|---|---|---|---|
| productiveness | > 96% (230V AC,50%load) | working voltage | 90V AC~300V AC |
| Dimension | 40.5mm×105mm×281mm | frequency | 45Hz~65Hz, the rated value: 50Hz/60Hz |
| Weight | < 2kg | Rated input current | ≤23A |
| Cooling mode | forced air cooling | power factor | ≥0.99 (100%load) ≥0.98 (50%load) ≥0.97 (30%load) |
| Input over pressure protection | > 300V AC, recovery range: 290V AC~300V AC | THD | ≤5% (100%load) ≤8% (50%load) ≤12% (30%load) |
| Input the undervoltage protection | < 80V AC, recovery range: 80V AC~90V AC | output voltage | 42V DC~58V DC, rated value: 53.5VDC |
| Output is provided for short-circuit protection | Long-term short circuit, short circuit disappear can be restored | Stable pressure accuracy | -0.5/0.5(%) |
| Output overvoltage protection | Range: 59.5V DC | output power | 4000W (176AC~300VAC) 2000W~4000W (90~175VAC linear decrease) |
| Start time | < 10s | The output holds the time | > 10ms |
| noise | < 55dBA | MTBF | 10^5 hours |
leave a message
Scan to Wechat :
Scan to WhatsApp :